Kombiafleder V50, 3-polet+NPE med FS 320 V

Art.nr. 5093562 | EAN 4012196398546

320 V
IP20
Produkt beskrivelse
Produkt beskrivelse
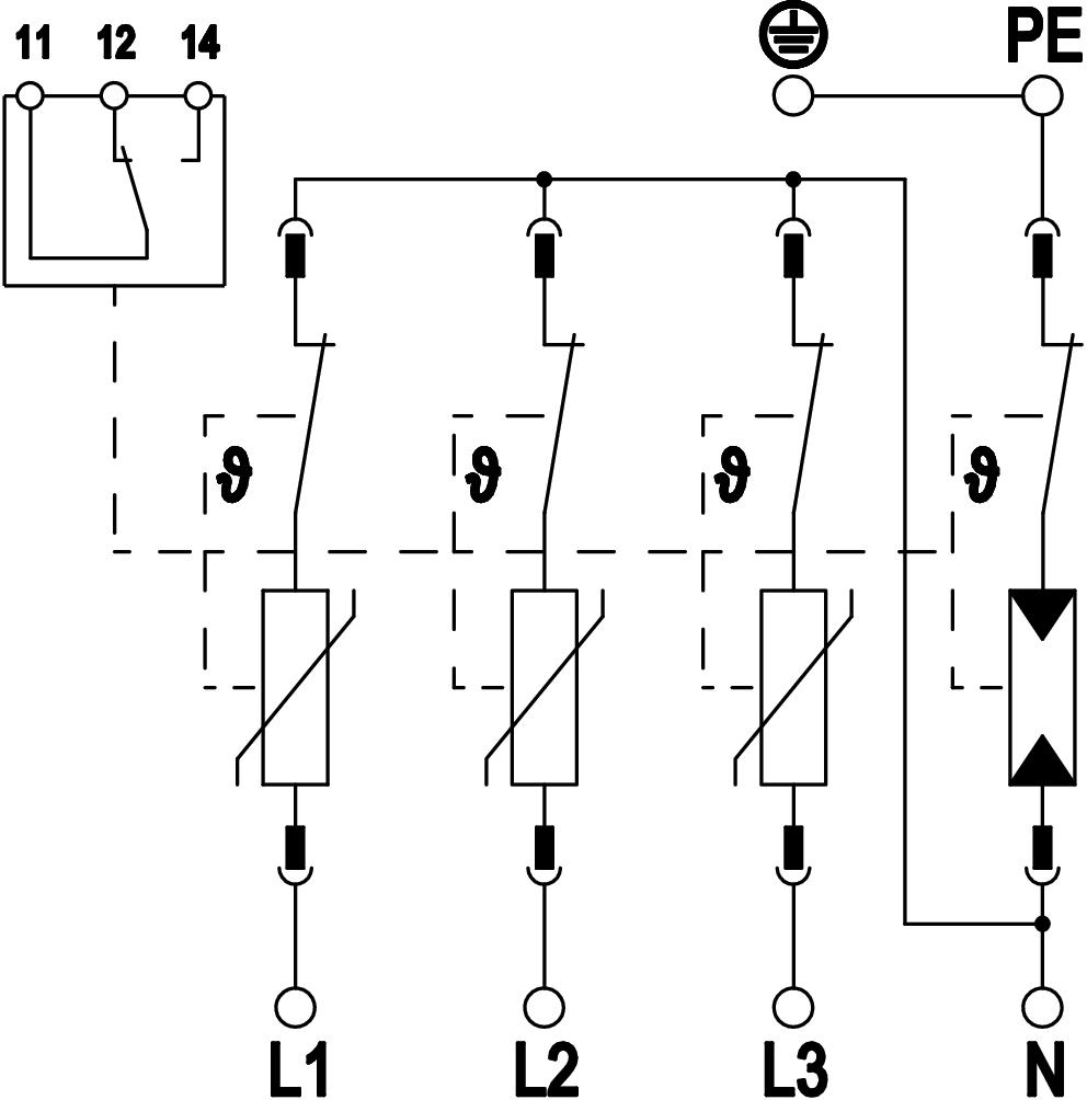
Kombiafleder type 1+2

• Til lynbeskyttelsespotentialudligning iht. VDE 0185-305 (IEC 62305)
• Lynstrømsafledningsevne 12,5 kA (10/350) pr. pol og op til 50kA (10/350) i alt
• Modulopbygget stikbar afleder med afbryderanordning og optisk statusvisning
• Indgrebsfunktion med vibrationsbeskyttelse og spændingskodning
• Kunststof iht. UL 94 V-0
• FS-varianterne har en potentialfri skiftekontakt til fjernsignalisering

Anvendelse: lynbeskyttelses-potentialudligning for bygninger af klasse III og IV.
* Komplet = over- og underdel
  • KEMA-KEUR, Holland
  • Österreichischer Verband für Elektrotechnik, Østrig
  • Verband der Elektrotechnik, Elektronik, Informationstechnik e.V., Tyskland
  • Underwriters Laboratories Inc., USA + CSA, Kanada
  • 5 års garanti
  • Communautés Européennes, EU-konformitetserklæring iht EU-direktiver
  • EurAsian Conformity
  • Regulatory Compliance Mark - Overensstemmelseserklæring for Australien/New Zealand
  • Overgang fra LPZ 0 til 2.
  • Kombinationsbeskyttelsesenhed fra type 1 og type 2
  • Installation electrotechnical expertise
  • Fjernsignalering
  • CO₂ footprint (PCF)
  • Packaging without plastic
  • Packaging made entirely from recycled cardboard
Tekniske data

Tilslutningsmuligheder

Afledt stødstrøm (8/20 µs) [i alt] 80 kA
Beskyttelsesniveau [L-N] ≤1,4
CO2 fodaftryk (GWP) fra vugge til port 2,353 kg CO2e / 1 Styk
Dimension 320V
Drejningsmoment 4 Nm
Driftstemperatur maks. 80 °C
Driftstemperatur min. -40 °C
Fjernsignalering Ja
FM-kontakter Skiftekontakt
Fælles beskyttelsesniveau [L-PE] 2,5 kV
Følgestrømundertrykkelse (eff) [N-PE] 0,1 kA
Godkendelser VDE, KEMA, UL, ÖVE
Husmateriale PA UL 94 V-0
Indikering på komponent optisk
Integreret forsikring Nej
Kapslingsklasse IP20
Kortslutningsstyrke med maks. overstrømsbeskyttelse på netsiden 50 kA eff
Ledertværsnit fleksibel (fintrådet) maks. 2 AWG
Ledertværsnit fleksibel (fintrådet) maks. 35 mm²
Ledertværsnit fleksibel (fintrådet) min. 1,5 mm²
Ledertværsnit fleksibel (fintrådet) min. 16 AWG
Ledertværsnit, fast (én-/flertrådet) maks. 2 AWG
Ledertværsnit, fast (én-/flertrådet) maks. 35 mm²
Ledertværsnit, fast (én-/flertrådet) mm 1,5 mm²
Ledertværsnit, fast (én-/flertrådet) mm 16 AWG
Luftfugtighed maks. 95 %
Luftfugtighed min. 5 %
Lynstødsstrøm (10/350) [samlet] 50 kA
Lynstødstrøm (10/350 μs) 12,5 kA
Maks. forsikring 160 A
Maks. overstrømsbeskyttelse på netsiden 160 A gL/gG
Maks. vedvarende spænding (L-N) 320 V
Maks. vedvarende spænding (N-PE) 255 V
Maks. vedvarende spænding AC 320 V
Maksimal afledningsstødstrøm (8/20 μs) 50 kA
Maksimal afledningsstødstrøm (8/20 μs) [L-N] 50 kA
Materiale Polyamid
Minimumafstand 1,5 mm
Monteringstype DIN-skinne 35 mm
Netform Øvrige
Netform TN Ja
Netform TN-C-S Ja
Netform TN-S Ja
Netform TT Ja
Nominel afledningsstødstrøm (8/20 µs) 30 kA
Nominel afledningsstødstrøm (8/20 µs) [L-N] 30 kA
Nominel spænding AC (50 / 60 Hz) 230 V
Polernes udførelse 3+N/PE
Poltal 4
Reaktionstid <25 ns
Restspændring [L-N] @ 1 kA 0,9 kV
Restspændring [L-N] @ 12,5 kA 1,1 kV
Restspændring [L-N] @ 5 kA 1 kV
Skifteeffekt AC 230 V; 0,5 A
Skifteeffekt DC 230 V; 0,1 A / 75 V; 0,5 A
SPD iht. EN 61643-11 Type 1+2
SPD iht. IEC 61643-1 class I+II
SPD iht. UL 1449 Type 4
Temperaturanvendelsesområde maks. 80 °C
Temperaturanvendelsesområde min. -40 °C
Tilslutningstværsnit FM-klemmer maks. 16 AWG
Tilslutningstværsnit FM-klemmer maks. 1,5 mm²
Tilslutningstværsnit FM-klemmer min. 0,5 mm²
Tilslutningstværsnit FM-klemmer min. 21 AWG
TOV-spænding [L-N] - fail safe mode - 120 min 440 V
TOV-spænding [L-N] - withstand mode - 5 s 335 V
TOV-spænding [N-PE] - withstand mode - 200 ms 1200 V
Udblæsende Nej
Alle typer

Alle typer

Type Polernes udførelse Maks. vedvarende spænding AC Kapslingsklasse Art.nr. Mængde Min. salgsenhed
V50-3+NPE+FS-320 3+N/PE 320 V IP20 5093562
1 Styk
V50-1+NPE+FS-320 1+N/PE 320 V IP20 5093560
1 Styk
Downloads

Download

Download

EU-overensstemmelseserklæring V50-3+NPE+FS-320 / 5093562 , 0.13MB , pdf
Download

V50-3+NPE+FS-320 / 5093562
Download